Adapt type mismatch [ERROR 169]

Adapt type mismatch [ERROR 169]

Adapt type mismatch: Module 1,01,02 Block 1001 adapts Module 1,01,02 Block 1002 S3 (B: Binary) with Module 1,01,02 Block 1000 (Real)

The adapt type mismatch messages often accompany other errors, so the same block can have multiple errors. Also, adapt blocks are very flexible, so mismatches "work". However, these messages may be the only indication of an otherwise impossible to detect error.

See below. It is usually easy to figure out.

Module 1,11,04 block 6269 adapts block 6710 S14 - already adapted (by block 6709).

No tool error reports 5.gif

The normal scenario for this error is that S2 of a cloned adapt block has not been changed to match a target, even though the output block number has.

No tool error reports 7.png

On sheets 67003B2A.CAD and 67003C2A.CAD, we will guess that there are MSDD blocks that do not have S14 adapted by an adapt block on that page. They have been orphaned.

No tool error reports 8.png

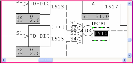
The error here is an interesting one, not quite typical.

First, look at the text of the message:

Adapt block Module 4,50,02 Block 1529 on drawing 45002P3: 
Spec 14 on block 1516 out of range, (function code 40).

Click on the link in the error browser to bring up the CLD/CAD sheet where we have an adapt block issue.

No tool error reports 10.png

Double click on the hotspot hiding under Spec 2.

No tool error reports 11.png

Zoom out and see the MSDVDR block - it is Block 1561.

No tool error reports 12.png

This was an unusual case – DCS Dyslexia.

Many clients have made the most common adapt block error:

Logic containing an adapt block is cloned. The block numbers in the new logic are correctly modified, but spec 2 is missed. This means that it adapts the original.

Resolving the error involves exactly the same steps:

  1. Find the adapt block.
  2. Find the adapted block (the target)
  3. Look on the page of the adapt block for what is probably the intended target.

There are other scenarios – block number errors, changed logic, incorrect values of S3.

This drawing shows more than one, except that it is likely this is actually abandoned logic. Sheet Z9, as the last sheet, is often a boneyard sheet. Here, legal blocks have probably been used badly.

No tool error reports 13.png

This message is likely to show an error in the system configuration. It should be reviewed. The issue raised may be in unused logic or graphics, or have other realities that make it a non-issue.

Please contact us for help resolving your error messages.