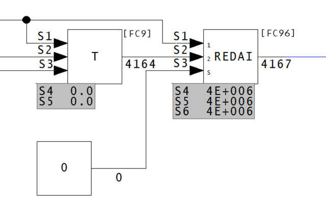
REDAI Module 1,01,02 Block 1000 has select input S3 wired from constant block Module 1,01,02 Block 1001
The select input is designed to switch between two inputs. When it is wired to a constant, no switching is possible. This is why DBDOC draws this to your attention.
This message shows a potential error in the system configuration, although most such errors prove to be harmless. It should be reviewed and hidden, unless it shows an issue that should be addressed.
Please contact us for help resolving your error messages.
DBDOC ©1996 - 2025 G. Michaels Consulting Ltd., all rights reserved. All other trademarks and registered trademarks are the property of their respective holders. Website source largely available under the terms of the AGPLv3.