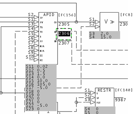
Advanced PID Module 1,01,02 Block 1001 using block increase flag with S19=0
This message alerts you to a place where an APID: Advanced PID Controller [FC156] block is misused, based on ABB service bulletins. You will want to verify this block is functioning correctly.
The documentation for APID: Advanced PID Controller [FC156] says: "Note: Do not use the output block increase (or decrease) flag if using the quick saturation recovery option (S19 equals zero)."
In this example, the Block Increase/Decrease Flag Outputs are in use. The documentation indicates that you should not use the output block increase or decrease flag if the quick saturation recovery option (S19 = 0) is being used.
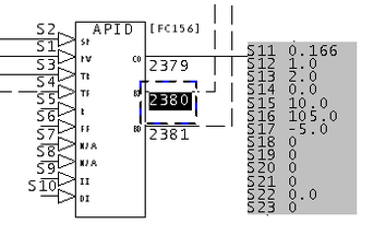
Advanced PID Module 4,50,02 Block 2380 using block increase flag with S19=0.
Both Block Increase BI and Block decrease BD outputs are in use, which is contrary to the documentation. S19 = 0, indicating the quick recovery form of the algorithm is being used.
It is possible to change the specifications to eliminate these messages. This should be done in close coordination with a DCS specialist. The important point about the error message is that you can look for hints that problems with outputs and reset are cause by the specs rather than by the inputs.
This message is likely to show an error in the system configuration. It should be reviewed. The issue raised may be in unused logic or graphics, or have other realities that make it a non-issue.
Please contact us for help resolving your error messages.
DBDOC ©1996 - 2025 G. Michaels Consulting Ltd., all rights reserved. All other trademarks and registered trademarks are the property of their respective holders. Website source largely available under the terms of the AGPLv3.